
产品名称:QJ-T中硬齿面减速机
产品类别:圆柱齿轮减速器(中硬齿面减速机)系列
产品型号:QJ-T
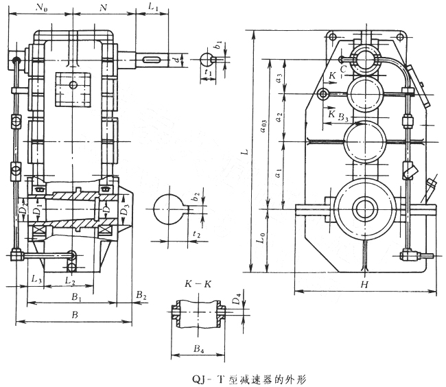
起重机立式减速器部分分为QJ—L,QJ—T两个系列,主要用于起重机运行机构,也可用于运输、冶金、矿山、化工、轻工等各种机械设备的运行机构中。齿轮、齿轮轴采用中碳合金钢中硬齿面。具有结构紧凑、承载能力较高等优点,是我厂继ZSC型、ZSC(A)型减速器之后推出的又一代新产品。
QJ-T140、QJ-T170、QJ-T200、QJ-T236、QJ-T280、QJ-T335、QJ-T400、型减速机的外形尺寸及安装尺寸(JB/T8905.4-1999)
上一页:ZJ型专用齿轮减速器
下一页:QJS中硬齿面减速机